办公室电话
0543-8179999
搜索
首页
关于我们
返回
公司简介
企业荣誉
新闻资讯
返回
公司新闻
环保公示
企业文化
产品中心
返回
主要产品展示
产品在下游用户中的应用
负极材料
人力资源
返回
团队建设
人才招聘
联系我们
首页
关于我们
返回
公司简介
企业荣誉
新闻资讯
返回
公司新闻
环保公示
企业文化
产品中心
返回
主要产品展示
产品在下游用户中的应用
负极材料
人力资源
返回
团队建设
人才招聘
联系我们
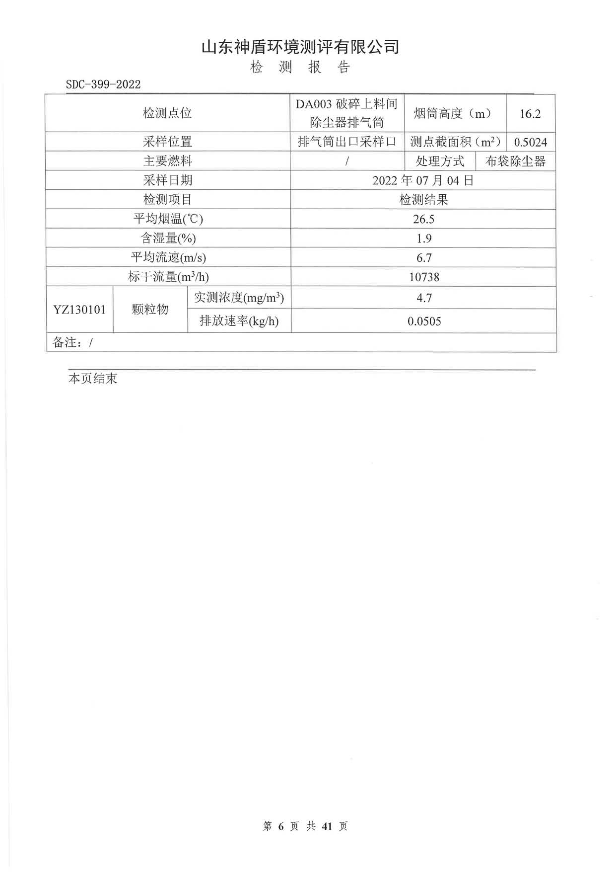
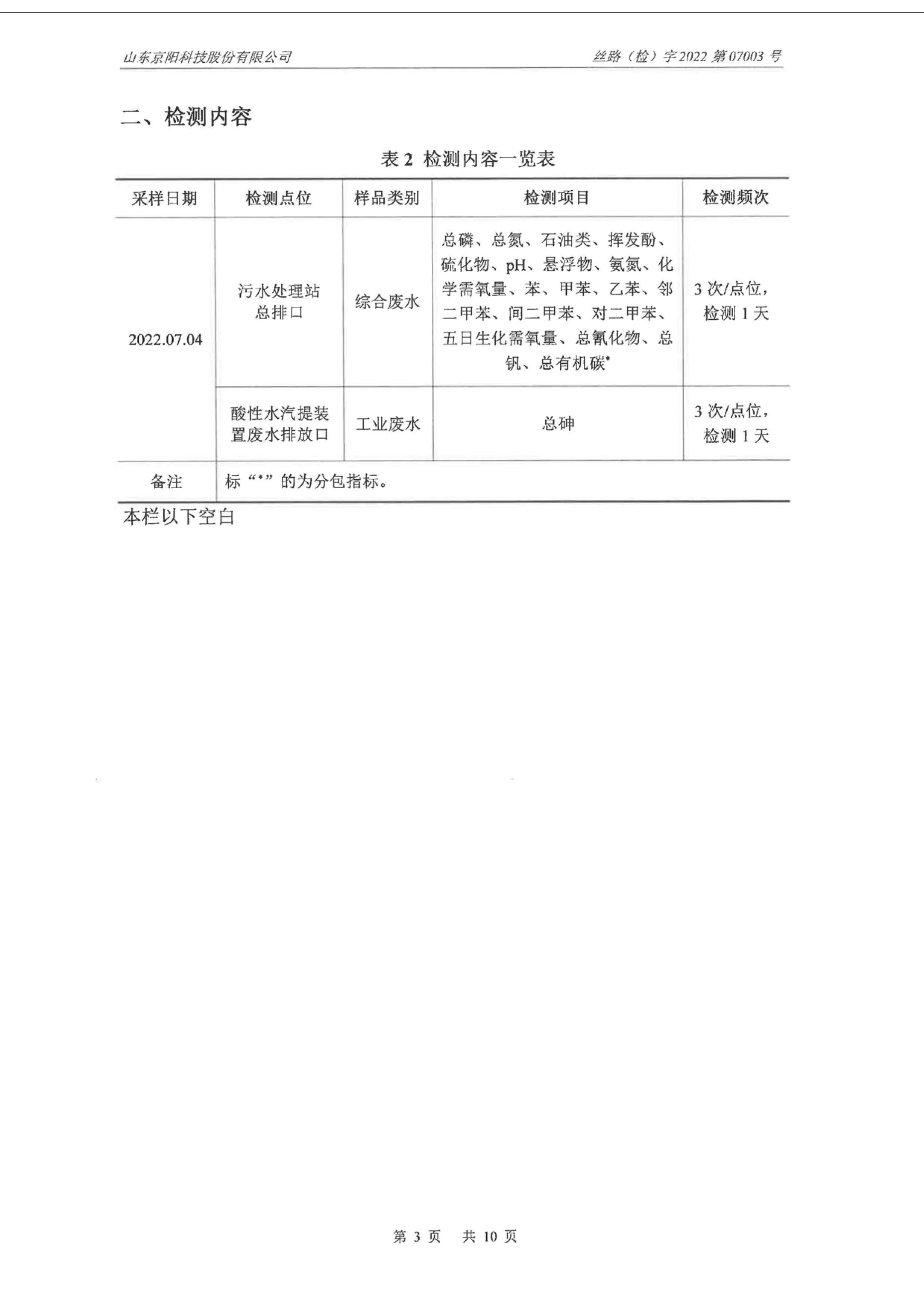
山东京阳科技股份有限公司2022年第三季度废水、第三季度废气、年度土壤监测信息公开
栏目:环保公示
发布时间:2022-07-29
山东京阳科技股份有限公司2022年第三季度废水、第三季度废气、年度土壤监测信息公开
上一篇:
山东京阳科技股份有限公司2022年8月份废水、8月份废气、丰水期地下水、冷却器TOC监测信息公开
下一篇:
山东京阳科技股份有限公司2022年6月份废水、6月份废气、上半年循环水监测信息公开