办公室电话
0543-8179999
搜索
首页
关于我们
返回
公司简介
企业荣誉
新闻资讯
返回
公司新闻
环保公示
企业文化
产品中心
返回
主要产品展示
产品在下游用户中的应用
负极材料
人力资源
返回
团队建设
人才招聘
联系我们
首页
关于我们
返回
公司简介
企业荣誉
新闻资讯
返回
公司新闻
环保公示
企业文化
产品中心
返回
主要产品展示
产品在下游用户中的应用
负极材料
人力资源
返回
团队建设
人才招聘
联系我们
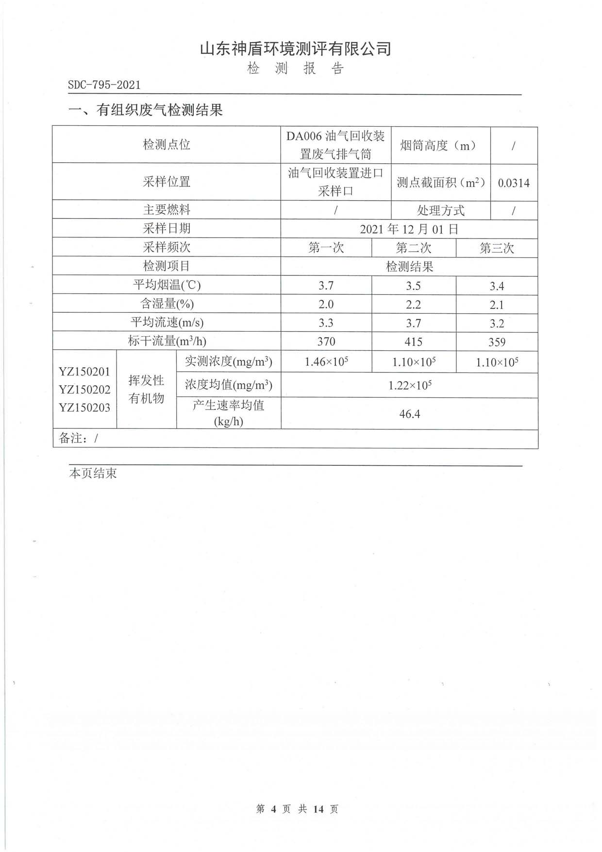
山东京阳科技股份有限公司2021年12月份废水、12月份废气监测信息公开
栏目:环保公示
发布时间:2022-01-03
山东京阳科技股份有限公司2021年12月份废水、12月份废气监测信息公开
上一篇:
山东京阳科技股份有限公司10万吨年新能源锂电池材料前驱体项目环境影响评价第一次公示
下一篇:
山东京阳科技股份有限公司2021年12月份废水、12月份废气监测信息公开